QL65F5SABC
产品描述:
QL65F5S-A/B/C is a MOCVD grown 650nm band InGaAlP laser diode with quantum well structure.
It's an attractive light source, with a typical light output power of 10mW for optoelectronic devices such as Laser Pointer & Bar Code Reader.
产品特色:
➢ Optical Leveler
➢ Laser Pointer
➢ Bar Code Reader
应用范围:
➢ Visible Light Output : λp = 650 nm
➢ Optical Power Output : 10mW CW
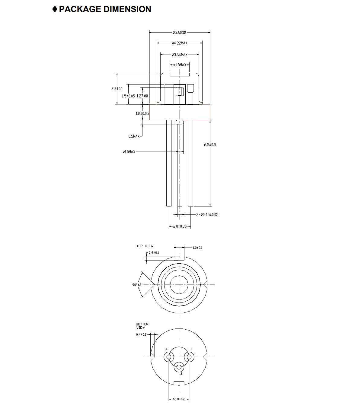
➢ Package Type : TO-18 (5.6mmφ)
➢ Built-in Photo Diode for Monitoring Laser Diode
电气连接:

极限工作条件:

光电特性:

包装尺寸:

包装:
